Halstuch-Ring-HL
Ein Flämmring ist in der Industrie ein spezielles Schneidwerkzeug, das bei der Herstellung geschweißter Rohre verwendet wird, um die Schweißraupe (das überschüssige Material, das beim Schweißen entsteht) von der Innenseite des Rohrs zu entfernen. Dieses Verfahren gewährleistet glatte Oberflächen, eine bessere strukturelle Integrität und eine verbesserte Produktqualität.
-
PVD und CVD TiN, TiAlN oder andere beschichtet.
-
Mehrere Hartmetallsorten speziell für Ihre Anwendung.
- Mehrere Größen verfügbar, D8-D710mm.
Wenden Sie sich an unser Verkaufsteam, um alle Ihre Preisoptionen zu erfahren.
Was ein Kopftuchring bewirkt?
- Entfernt Schweißraupen: Beim Hochfrequenzschweißen von Stahlrohren bildet sich entlang der Naht ein Wulst. Die Ringe schneiden diesen Wulst weg.
- Verbessert die Oberflächenqualität: Durch die Beseitigung von Vorsprüngen werden die Innen- und Außenflächen der Rohre glatt, was für Beschichtungen, Auskleidungen oder die Weiterverarbeitung entscheidend ist.
- Verbessert die Kraft: Durch die Beseitigung von Spannungskonzentrationen an der Schweißnaht wird die Gefahr von Rissen oder Schwachstellen verringert.
- Erhält die kontinuierliche Produktion aufrecht: Die Entschalung ist in die Rohrwalzanlage integriert, so dass die Wulstentfernung ohne Unterbrechung des Fertigungsflusses möglich ist.
Anwendungen
- Produktion von Stahlrohren und Rohrleitungen: Vor allem in Branchen wie dem Baugewerbe, der Automobilindustrie und der Energiewirtschaft.
- Hochfrequenz-geschweißte (HFW) Rohre: In diesen kontinuierlichen Produktionslinien ist das Scarfing unerlässlich.
- Sicherung der Qualität: Stellt sicher, dass die Rohre die strengen Abmessungs- und Oberflächenstandards für die nachgelagerten Prozesse erfüllen.
Vorteile
- Präzision: Erzeugt gleichmäßige, saubere Schnitte entlang der Schweißnaht.
- Effizienz: Arbeitet inline mit Rohrwalzwerken und vermeidet kostspielige Nacharbeit.
- Vielseitigkeit: Erhältlich in verschiedenen Größen und Ausführungen für unterschiedliche Rohrdurchmesser und Wandstärken.
- Dauerhaftigkeit: Flämmringe auf Hartmetallbasis widerstehen hohem Verschleiß und Hitze.
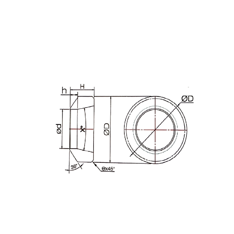
Halstuch Ring-HL Modell
| Typ | Anwendungsbereich (mm) | ΦD(mm) | H(mm) | Φd(mm) |
|---|---|---|---|---|
| HL00806** | Φ8-Φ12 | 8 | 6 | 4/5 |
| HL01006** | Φ16-Φ20 | 10 | 6 | 5/6 |
| HL01306** | Φ20-Φ36 | 13 | 6 | 6/7/8 |
| HL01507** | Φ25-Φ42 | 15 | 7 | 7/8/9 |
| HL01908** | Φ30-Φ60 | 19 | 8 | 9/10/11 |
| HL02210** | Φ42-Φ70 | 22 | 10 | 10/12/14 |
| HL02512** | Φ48-Φ76 | 25 | 12 | 12/15 |
| HL03012** | Φ60-Φ89 | 30 | 12 | 18/20 |
| HL03515** | Φ76-Φ127 | 35 | 15 | 20/22/25 |
| HL0401525 | Φ108-Φ177 | 40 | 15 | 25 |
| HL0451530 | Φ127-Φ193 | 45 | 15 | 30 |
| HL045T28 | Φ133-Φ219 | 45 | 17 | 28 |
| HL0501835 | Φ159-Φ273 | 50 | 18 | 35 |
| HL05518** | Φ219-Φ508 | 55 | 18 | 35/38 |
| HL05520** | Φ273-Φ610 | 55 | 20 | 38/40 |
| HL0652045 | Φ325-Φ660 | 65 | 20 | 45 |
| HL0702550 | Φ426-Φ710 | 70 | 25 | 50 |
Benötigen Sie eine Beratung? Kontaktieren Sie uns!
Wenden Sie sich an unser Vertriebsteam, um alle Ihre Preisoptionen zu erfahren

